45fan.com - 路饭网
首页
路由器设置
无线路由器
路由器密码
网络频道
手机频道
电脑频道
图库频道
问答中心
搜索:
智能搜索
搜索标题
您的位置
:
主页
>
网络频道
> 阅读资讯:关于液晶显示器电源板的原理图分享
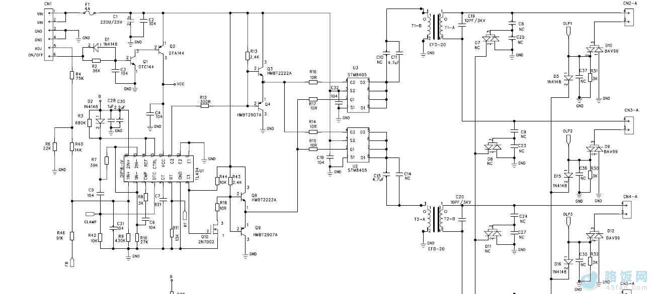
关于液晶显示器电源板的原理图分享
2015-06-19 10:03:07 来源:www.45fan.com 【
大
中
小
】
关于液晶显示器电源板的原理图分享
本文地址:
http://www.45fan.com/a/question/12178.html
Tags:
最新
显示器
液晶
编辑:路饭网
上一篇:
HD 6530D显卡是什么级别的显卡 HD 6530D显卡好用不?
下一篇:
GDDR3和GDDR5显存的区别介绍
相关文章列表
MySQL数据库漏洞情况的详细介绍
李嘉诚访谈录集锦
SUN实验室的Java最新技术进展如何?
最新网络工具箱netwox的详细介绍
世界上最新最有趣最难智力题大全
怎么样使用网通路由表?
最新导游资格证考试综合模拟题大全
如何下载最新web打印?
短线—最新、最绝的一招的详细介绍
如何写最新入党份子申请书?
推广内容
推荐阅读
热门推荐
推荐文章
·
欢乐颂五美晒合照 齐呼:We are back!!
·
Google AdSense广告业务也被干扰,掉包严
·
京东和淘宝二者对比有什么区别?
·
输入新浪微博的验证码老是错误怎么办?
·
google adsense打不开怎么办?免翻墙打开
·
在淘宝网买东西要注意哪些事项?网友必备
·
阿里提供免费公共DNS服,阿里公共dns地址
·
如何进行小米真人认证?小米官方真人认证
·
怎么用PS制作出真实的眼睛?
·
招财宝有什么作用?招财宝不仅仅是余额宝
·
路饭网官方微信公众平台开通啦!赶快扫描
·
路由器连接检测工具 检测电脑上不了网的
关于我们
|
联系我们
|
友情链接
|
网站地图
|
Sitemap
|
App
|
返回顶部